搜索
联系方式:6146616
网站首页
企业概况
单位概况
管理团队
组织构架
所属单位
发展战略
重要荣誉
历史回顾
企业文化
企业愿景
企业精神
廉洁文化
风采展示
新闻中心
公司新闻
总局新闻
行业咨询
通知公告
新闻头条
党群工作
党建工作
纪律检查
职工之家
青年之声
信息公开
通知公告
媒体报道
INFOTMATION DISCLOSURE
通知公告
首页
▶媒体报道
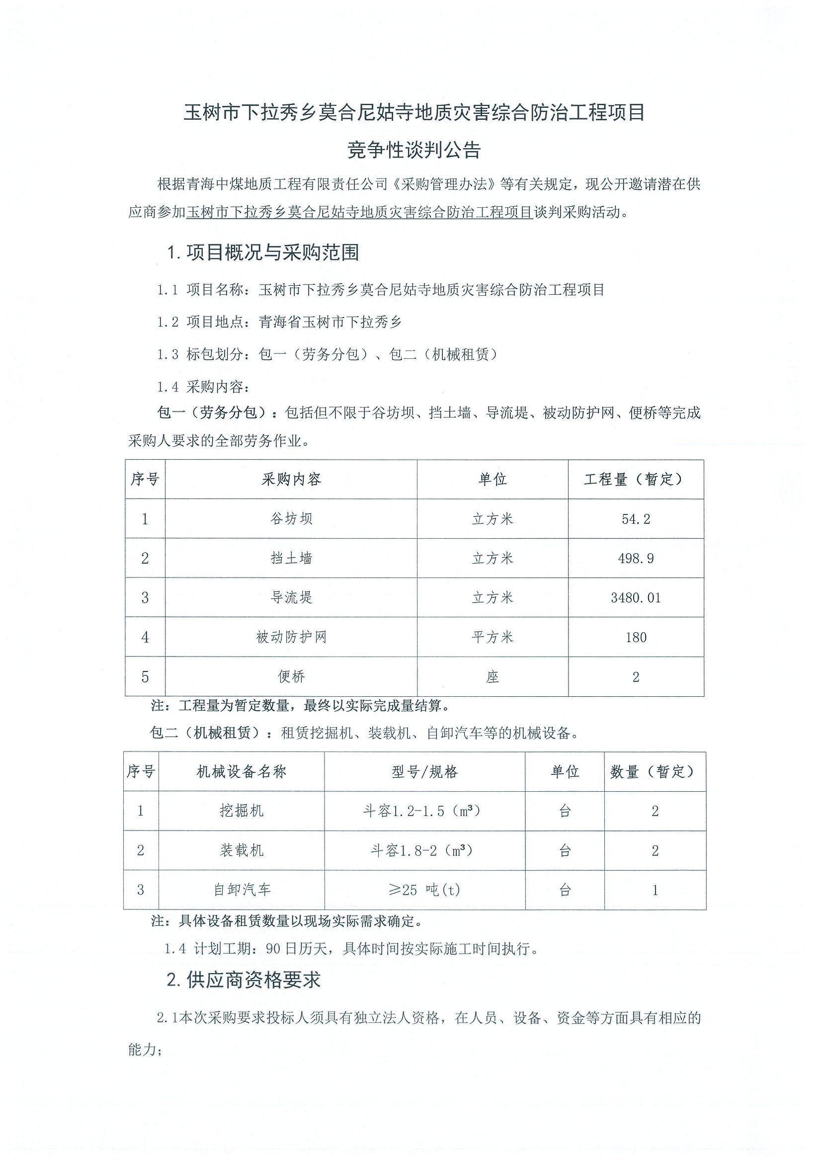
玉树市下拉秀乡莫合尼姑寺地质灾害综合防治工程项目竞争性谈判公告
发布时间:2025-08-01 16:42:23
浏览:5533
上一篇:
玉树市下拉秀乡莫合尼姑寺地质灾害综合防治工程项目材料采购招标公告
下一篇:
青海省都兰县加羊多金属矿勘查(2025年度)项目地质技术服务采…