搜索
联系方式:6146616
网站首页
企业概况
单位概况
管理团队
组织构架
所属单位
发展战略
重要荣誉
历史回顾
企业文化
企业愿景
企业精神
廉洁文化
风采展示
新闻中心
公司新闻
总局新闻
行业咨询
通知公告
新闻头条
党群工作
党建工作
纪律检查
职工之家
青年之声
信息公开
通知公告
媒体报道
INFOTMATION DISCLOSURE
通知公告
首页
▶媒体报道
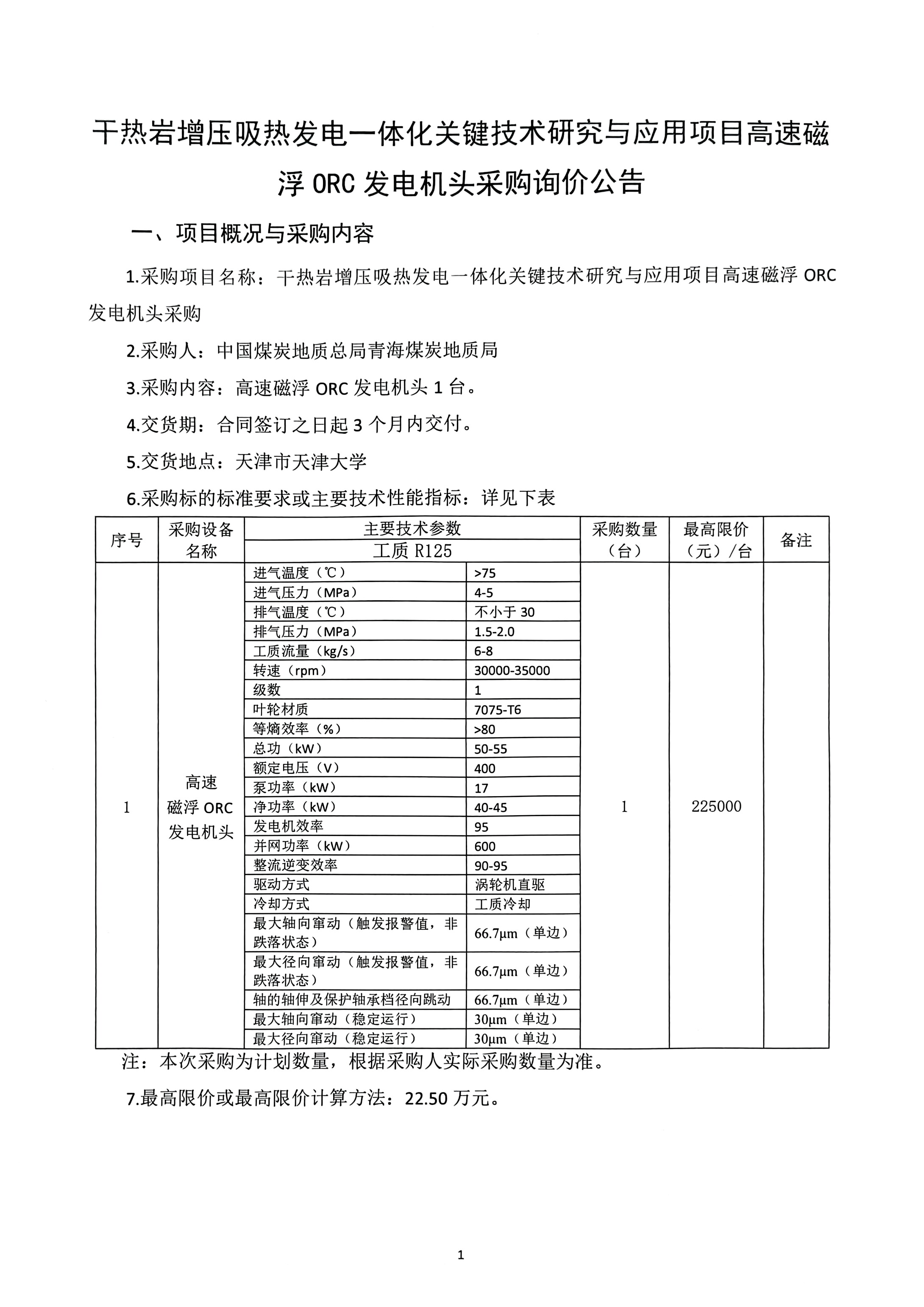
干热岩增压吸热发电一体化关键技术研究与应用项目高速磁浮ORC发电机头采购询价公告
发布时间:2025-07-25 16:52:08
浏览:6453
上一篇:
巴里坤盆地水资源调查与水资源优化配置水文地质钻探设备租赁(含操…
下一篇:
陕西陕煤黄陵矿业有限公司一号煤矿三维地震勘探项目劳务服务项目成…